11+ Cummins Aftertreatment System Diagram


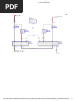
Isx15 E5 4954042 Wiring Diagram Rev 4 Pdf Throttle Diesel Engine


Aftertreatment Device Engines Cummins Qsb6 7 Cm850 Cm2850 D313013ct03 777parts Com


Exaust System Pdf Diesel Engine Engines


Eaton Tenneco Partner On Exhaust Thermal Management System Diesel Progress


Heavy Duty Diesel Engines With Aftertreatment


Aftertreatment Device Gasket 2871452 M D


5273338 Genuine Cummins Urea Pump


Energies Free Full Text Parametric Analysis And Optimization For Thermal Efficiency Improvement In A Turbocharged Diesel Engine With Peak Cylinder Pressure Constraints


Walk In Van Chassis Maintenance Manual


Isx15 E5 4954042 Wiring Diagram Rev 4 Pdf Throttle Diesel Engine


Aftertreatment System For Engine Experiments Download Scientific Diagram


Heavy Duty Diesel Engines With Aftertreatment


Wholesale Heavy Duty Truck Diagnostic Scanner Ancel Hd3400 Oil Dpf Reset Service J27145 J1708 Protocols Hd Obd Automotive Diagnostic Tools From M Alibaba Com


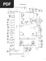
Cummins Isb6 7 Cm2250 Wiring Diagram Electrical Wiring Diagram Diagram Online Laptop Power Supply


Experimental Research On Distribution Characteristics Of Nox Conversion Efficiency Of A Diesel Engine Scr Catalyst Acs Omega


How An Aftertreatment System Works Cummins Inc


New Oem Cummins Aftertreatment System A056p354 5417511 Dpf Parts Direct


5273338 Genuine Cummins Urea Pump

Iklan Atas Artikel

Iklan Tengah Artikel 1

Iklan Tengah Artikel 2

Iklan Bawah Artikel